Contents: Removal ⇓ Examination ⇓
Removal
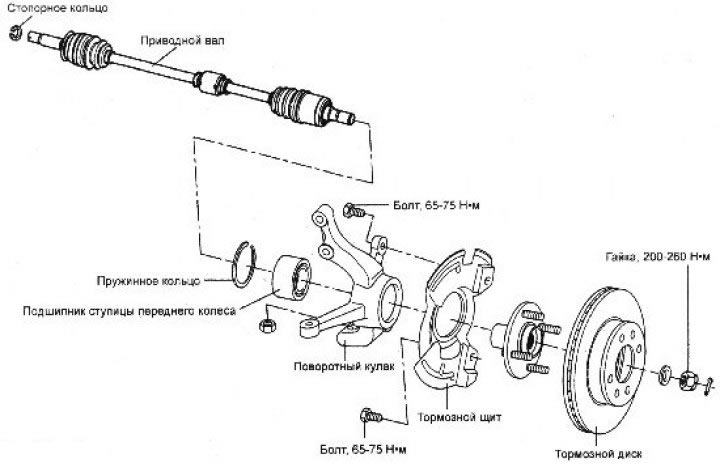
1. Raise the vehicle, secure it on supports and remove the front wheel.
2. Remove the cotter pin, unscrew the castle nut and remove the washer securing the drive shaft to the front wheel hub.


3. Remove the cotter pin and unscrew the nut securing the ball joint pin of the tie rod end to the steering knuckle. Using puller 09568–34000, press the ball joint pin out of the steering knuckle.
Note: To prevent the puller from falling, tie it to the front suspension elements with a cord.

4. Mark the position and remove the bolts securing the lower part of the front suspension strut to the steering knuckle and separate the steering knuckle from the strut.

5. Drain the transmission fluid from the gearbox.
6. Using a nylon hammer, tap the drive shaft out of the front wheel hub. If the drive shaft is tight in the front wheel hub, spray the spline area with penetrating aerosol solvent and then re-tighten the flange nut until it is flush with the end of the shaft. Tap the nut with a brass hammer to tap the drive shaft out of the hub.

7. Tilt the steering knuckle outward and remove the drive shaft from the front wheel hub.
8. Insert a pry bar between the inner CV joint of the drive shaft and the gearbox and lightly tap the pry bar to remove the drive shaft from the gearbox.

Attention!
- Use the pry bar very carefully to avoid damaging the joint and gearbox housing.
- Do not insert the pry bar too deeply to avoid damaging the oil seal ring.
- Do not pull on the drive shaft as this will damage the constant velocity joints.
9. Remove the drive shaft from the gearbox.
Attention!
- Install special plugs instead of drive shafts to prevent dirt from getting into the gearbox.
- Support the drive shaft properly.
- Replace the differential seal whenever the drive shaft is removed.
Examination
1. Check the protective covers of the drive shaft CV joints for damage and hardening of the rubber.
2. Check the ball joints for wear.
3. Check the splines on the ends of the drive shaft for wear and damage.
4. Check the dynamic damper for cracks and wear.

1. Lubricate the working lip of the differential oil seal and the splines of the drive shaft
Caution: Be careful not to damage the sealing ring when installing the drive shaft.
2. Install a new snap ring on the inner end of the drive shaft. Push the drive shaft into the gearbox with the split in the snap ring facing downwards.
3. After installation, pull the drive shaft outward and make sure it is securely fixed with the round snap ring.
4. Place the washer under the drive shaft to hub mounting nut with the convex side facing outward, as shown in the figure.
Caution! When installing, it is necessary to use a new cotter pin and self-locking nut.

Tighten the threaded connections to the required torques.
- Tie Rod End to Steering Knuckle: 24–34
- Steering knuckle to strut mounting nuts: 130–150 N·m
- Drive shaft mounting nut: 200–260 Nm
