Забележка:
- 1. За да избегнете неправилни връзки по време на монтажа, маркирайте всички съединители и маркучи, когато ги разкачвате.
- 2. Проверете задвижващите ремъци, преди да свалите главата на цилиндъра.
- 3. Завъртете коляновия вал така, че буталото на първия цилиндър да е в горната мъртва точка на такта на компресия.
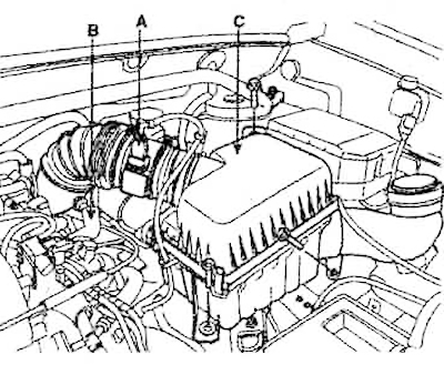
1. Отстранете входа за въздух (A).

2. Изключете отрицателната клема от акумулатора.

3. Развийте капачката на радиатора и пробката за източване на охладителната система и източете охлаждащата течност.
4. Свалете капака на двигателя.
5. Разкачете конектора на сензора за масов въздушен поток (A). Разкачете маркуча за вентилация (B) от маркуча на въздушния филтър. Отстранете въздушния филтър (C) и модула на входния маркуч.

6. Свалете горния (A) и долния (B) маркуч на радиатора.

7. Отстранете маркучите на нагревателя (A).

8. Разкачете съединителите на главата на цилиндъра и всмукателния колектор (за процедурата по разединяване и местоположението на съединителите вижте раздела "Сваляне на главата на цилиндъра").
9. Изключете заземяващия проводник (A) от капака на капака.

10. Разкачете съединителя на сензора за температура на входящия въздух (A) и съединителя на задвижващия механизъм VIS (B).

11. Изключете маркуча за гориво (A) от тръбопровода.

12. Изключете маркуча за вентилация на картера.
13. Откачете вакуумния маркуч (A) от усилвателя на спирачките.

14. Разхлабете контрагайките и свалете кабела на дросела.

15. Изключете маркуча от помпата на кормилното управление (A).
![]() |
![]() |
16. Отстранете скобата на батерията.
![]() |
![]() |
17. Разкачете съединителите на скоростната кутия:
- 1) A - конектор за делител на зъбни колела;
- 2) B - конектор за превключване на режима на скоростната кутия;
- 3) C-конектор на сензора за скорост на входящия вал на скоростната кутия;

- 4) A - съединител на сензора за скорост на изходящия вал;
- 5) B-конектор на сензора за скорост на автомобила.

18. Отстранете кабела за управление на скоростната кутия (A).

19. Изключете маркучите на масления охладител от автоматичната скоростна кутия (A).

20. Отстранете защитата на картера (A).

21. Отстранете предната изпускателна тръба (A).

22. Разкачете сензорите за скорост на колелата (A) от двата кормилни накрайника.

23. Отстранете болтовете и гайките на предната подпора.

24. Отстранете спирачния апарат (A) и го завържете с тел към елементите на окачването.

25. Разкачете универсалния шарнир на кормилното управление (A) от кормилния вал.

26. Инсталирайте крик, за да поддържате модула на двигателя и скоростната кутия.
27. Отстранете скобата за монтиране на двигателя (A).

28. Свалете монтажната скоба на скоростната кутия (A).

29. Отстранете болтовете и гайките от опорите на двигателя (A) и скобите на подрамката (B).
![]() |
![]() |

30. Вдигнете колата с крик.
Монтажът се извършва в ред, обратен на демонтаж.
След инсталирането направете следното:
1. Регулирайте жилото на дросела.
2. Напълнете двигателя с двигателно масло.
3. Налейте трансмисионно масло в скоростната кутия.
4. Налейте охлаждаща течност в охладителната система.
5. Отстранете въздуха от охладителната система.
6. Почистете клемите на батерията с шкурка и ги свържете. Нанесете смазка върху клемите, за да предотвратите корозия.
7. Проверете горивопроводите за течове.
8. Включете запалването (без да стартирате двигателя), за да стартирате горивната помпа за 1-2 секунди. През това време ще се натрупа налягане в горивопровода. Повторете операцията 3-4 пъти и проверете отново горивопроводите за течове на гориво.






