Оглавление: Снятие ⇓ Проверка ⇓
Момент затяжки: Нм
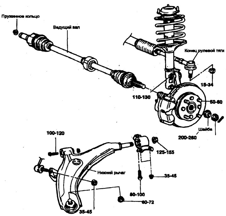
Снятие
1. Поднимите автомобиль на подъемник и снимите колесо.
2. Снимите гайку ступицы.
3. Снимите шаровой шарнир нижнего рычага с поворотного кулака.
4. Разъедините конец рулевой тяги и шаровой шарнир.
5. Снимите контргайку стабилизатора и крепление стабилизатора.
6. Слейте масло из коробки передач.

7. Установите монтировку между картером коробки передач и корпусом шарнира (T.J. или D.O.J.) и выдавите ведущий вал из картера коробки передач.

Примечание:
- 1) Убедитесь, что монтировка упирается в ребро жесткости картера коробки передач.
- 2) Не вводите монтировку слишком глубоко, т. к. это может повредить манжету. (Максимальная глубина установки монтировки: 7 мм).
8. Вытащите ведущий вал из картера коробки передач.
Примечание:
- 1) Заглушите отверстие в картере коробки передач ветошью, чтобы избежать загрязнений.
- 2) Надежно удерживайте ведущий вал.
- 3) Заменяйте стопорное кольцо каждый раз при удалении ведущего вала из картера коробки передач.
(При автоматической коробке передач)
Установите монтировку в выступ на ведущем валу,чтобы вытащить ведущий вал из картера коробки передач.
Примечание. Не тяните за ведущий вал, т.к. это может повредить шарнир с трехсторонней крестовиной. Следует использовать только монтировку.
9. С помощью специального инструмента (09526-11001) вытащите ведущий вал из ступицы.

Примечание. При снятии ведущего вала удерживайте сепаратор от выпадения.
Проверка
1. Проверьте повреждения и износ пыльников ведущего вала.
2. Проверьте износ и работоспособность шаровых шарниров.
3. Проверьте износ и повреждения шлицев.
