Рис. 4.27. Компоненты нижнего рычага передней подвески
Снятие
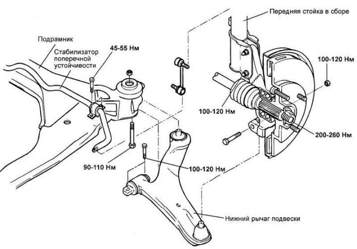
Снимите переднее колесо.
Ослабьте болт крепления шаровой опоры нижнего рычага подвески к поворотному кулаку.
Снимите три болта крепления нижнего рычага подвески к подрамнику.
Установка
Установка производится в порядке, обратном снятию.
Разборка
Рис. 4.28. Снятие втулки нижнего рычага подвески
Используя специальный инструмент, снимите втулку нижнего рычага подвески (рис. 4.28).
Рис. 4.29. Снятие защитного чехла шаровой опоры нижнего рычага подвески
Используя плоскую отвертку, снимите защитный чехол шаровой опоры нижнего рычага подвески (рис. 4.29).
Снимите стопорное кольцо.
Рис. 4.30. Снятие шаровой опоры из нижнего рычага подвески в сборе
Используя пластиковый молоток, снимите шаровую опору из нижнего рычага подвески в сборе (рис. 4.30).
Проверка
Проверьте втулку на отсутствие износа и деформации.
Проверьте нижний рычаг подвески на отсутствие изгибов и других повреждений.
Проверьте защитный чехол шаровой опоры на отсутствие трещин. Если на защитном чехле имеются трещины, замените шаровую опору в сборе.
Проверьте соединительный болт нижнего рычага подвески.
Несколько раз покачайте палец шаровой опоры нижнего рычага для проверки ослабления.
Рис. 4.31. Измерение момента вращения пальца шаровой опоры нижнего рычага
Проверьте момент вращения пальца шаровой опоры нижнего рычага (рис. 4.31).
Номинальный момент: 1,5–3,5 Н·м.
Если момент вращения пальца превышает номинальный момент, замените шаровую опору в сборе.
Если момент вращения пальца меньше номинального момента, то шаровая опора может использоваться дальше, если нет повреждений.
Рис. 4.32. Проверка момента вращения шаровой опоры стабилизатора поперечной устойчивости
Проверьте начальный момент вращения шаровой опоры стабилизатора поперечной устойчивости (рис. 4.32).
При наличии трещин или разрывов защитного чехла шарового шарнира замените его и добавьте смазку в шаровой шарнир.
Несколько раз покачайте палец шаровой опоры стабилизатора поперечной устойчивости для проверки ослабления.
Исходник текста находится на портале (HyundaiBook.ru)
Наверните самоконтящуюся гайку на палец шаровой опоры и измерьте начальный момент вращения.
Номинальный момент: 0,7–2,0 Н·м.
Если момент вращения пальца превышает номинальный момент, замените стабилизатор поперечной устойчивости. Если момент вращения пальца меньше номинального момента, то шаровая опора может использоваться дальше, если нет износа или чрезмерных трещин.
Сборка
Используя специальный инструмент, запрессуйте втулку нижнего рычага подвески.
Примечание. Номинальное усилие для запрессовки втулки: более 50 Н
Рис. 4.33. Схема запрессовки пальца шаровой опоры
Удерживая палец шаровой опоры, запрессуйте палец во втулку нижнего рычага подвески (рис. 4.33).
Примечание. Не запрессовывайте защитную крышку шаровой опоры.
Используя плоскогубцы, установите стопорное кольцо.
Рис. 4.34. Схема нанесения смазки на внутреннюю кромку защитного чехла
Нанесите смазку на внутреннюю кромку защитного чехла и во внутреннюю часть защитного чехла (рис. 4.34).
Смазка: Sunlight MB-2 или равнозначная.
Рис. 4.35. Схема установки защитного чехла
Используя специальный инструмент, установите защитный чехол на место и зафиксируйте стопорным кольцом (рис. 4.35).
