Снятие
1. Снимите переднее колесо.
2. Отверните гайку и съемником 09568–34000 выпрессуйте палец шарового шарнира наконечника рулевой тяги из поворотного кулака.


4. Выверните два болта крепления нижней части стойки к поворотному кулаку.

6. Снимите нижний рычаг передней подвески.
Установка
Установка нижнего рычага передней подвески проводится в последовательности, обратной снятию.
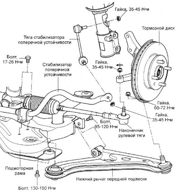
Затяните все резьбовые соединения требуемыми моментами:
- Гайки крепления колеса: 90–100 Н·м
- Гайка крепления пальца шарового шарнира нижнего рычага передней подвески: 60–72 Н·м
- Болт крепления сайлент-блока А: 95–120 Н·м
- Болт крепления сайлент-блока G: 130–150 Н·м
- Гайки крепления пальцев шаровых шарниров тяги стабилизатора: 35–45 Н·м
Исходный материал лежит на сайте HyundaiBook.ru
Разборка
Замена шарового шарнира и пылезащитного чехла
1. Лезвием плоской отвертки снимите пылезащитный чехол с шарового шарнира нижнего рычага.
2. Снимите стопорное кольцо.

3. Пластмассовым молотком выбейте палец шарового шарнира из нижнего рычага передней подвески.

6. Специальным инструментом 09545–11000 А/В установите новый защитный чехол.

Проверка
1. Проверьте сайлент-блоки на отсутствие износа и ухудшения их состояния.
2. Проверьте нижний рычаг передней подвески на отсутствие изгиба или повреждений.
3. Проверьте защитный чехол шарового шарнира на отсутствие трещин.
4. Проверьте состояние всех болтов.
5. Проверьте крутящий момент, который необходимо приложить для проворачивания пальца шарового шарнира нижнего рычага передней подвески.

- Если имеются трещины в защитном чехле, замените шаровой шарнир.
- Несколько раз покачайте из стороны в сторону палец шарового шарнира нижнего рычага.
- Измерьте крутящий момент, необходимый для проворачивания пальца шарового шарнира нижнего рычага. Крутящий момент: 3,5–10 Н·м
- Если крутящий момент превышает допустимые значения, замените шаровой шарнир.
- Если крутящий момент значительно ниже допустимого значения, шаровой шарнир может многократно использоваться, если он не заклинивается и не имеет чрезмерного люфта.
