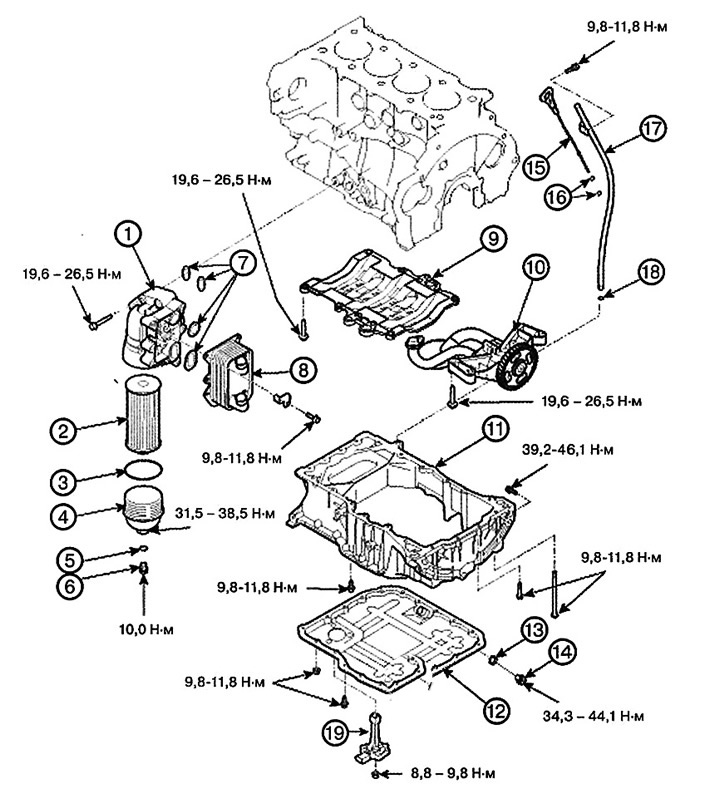
1. Корпус масляного фильтра
2. Фильтрующий элемент масляного фильтра
3. Уплотнительное кольцо крышки фильтра
4. Крышка фильтра
5. Уплотнительное кольцо сливного болта
6. Сливной болт
7. Уплотнительное кольцо корпуса фильтра
8. Маслоохладитель
9. Картер
10. Узел масляного насоса
11. Верхний масляный поддон
12. Нижний масляный поддон
13. Прокладка пробки сливного отверстия
14. Пробка сливного отверстия
15. Маслоизмерительный щуп
16. Уплотнительное кольцо маслоизмерительного щупа
17. Направляющая маслоизмерительного щупа
18. Уплотнительное кольцо направляющей маслоизмерительного щупа
19. Датчик уровня масла (если установлен)
Снятие
1. Ослабьте натяжитель, вращая его ключом против часовой стрелки. Затем снимите приводной ремень (А).

2. Слейте моторное масло, затем снимите узел (А) масляного фильтра и маслоохладителя.
Примечание: Перед снятием узла масляного фильтра и маслоохладителя слейте моторное масло из масляного фильтра.

3. Снимите воздушный компрессор (А).

4. Снимите нижний масляный поддон (А).

5. Снимите верхний масляный поддон (А).
Примечание: Чтобы не повредить поверхность между блоком цилиндров и масляным поддоном, при снятии верхнего и нижнего поддона используйте специальный инструмент (09215-ЗС000).
Внимание.
- Установите специальный инструмент между масляным поддоном и блоком цилиндров (или верхним масляным поддоном), слегка постукивая его пластиковым молотком в направлении стрелки.
- Слегка постукивая специальный инструмент пластиковым молотком в направлении стрелки, пройдите вдоль края масляного поддона не менее чем на ⅔ от его длины. Затем снимите поддон с блока цилиндров (или верхнего масляного поддона).
- Не переворачивайте специальный инструмент без постукивания. Такие действия могут привести к повреждению специального инструмента.

6. Снимите узел масляного насоса (А).

Установка
1. Установите узел масляного насоса.
Примечание: Момент затяжки: 19,6 - 26,5 Нм.
Внимание.
- При установке узла масляного насоса убедитесь, что уплотнительное кольцо на конце патрубка не повреждено.
- Не разбирайте узел масляного насоса.

2. Нанесите равномерно герметик на сопрягающиеся поверхности верхнего масляного поддона.
Примечание:
- Стандартный герметик: LOCTITE 5900Н или аналог.
- Перед нанесением герметика убедитесь в том, что сопряженные поверхности являются чистыми и сухими.
- Наносите полоску герметика толщиной 4 мм (5 мм или более для Т-образного соединения, 3,5 мм для заднего сальника), не останавливаясь.
- Установите масляный поддон в течении 5 минут после нанесения герметика.
- После установки масляного поддона подождите как минимум 30 минут перед заливкой масла в двигатель.
- После установки удалите лишний герметик в области заднего сальника.
- Перед установкой верхнего масляного поддона удалите лишний герметик, выдавленный с контактной поверхности между блоком цилиндров и крышкой цепи привода газораспределительного механизма.
Внимание. Старайтесь не наносить слишком много герметика и по неверной траектории. Если герметик попадет в отверстия для установки узла корпуса заднего сальника, он может привести к загрязнению или образованию трещин.

3. Установите верхний масляный поддон (А).

(1) Затяните болты в указанном порядке.
Примечание: Момент за тяжки: 9,8 - 11,8 Нм.

(2) Затяните болты (А) корпуса ко. робки передач.
Примечание: Момент затяжки: 39,2 - 46,1 Нм.

4. Нанесите равномерно герметик на сопрягающиеся поверхности нижнего масляного поддона.
Примечание:
- Стандартный герметик: LOCTITE 5900Н или аналог.
- Перед нанесением герметика убедитесь в том, что сопряженные поверхности являются чистыми и сухими.
- Нанесите герметик непрерывной полосой 4 мм.
- Установите масляный поддон в течении 5 минут после нанесения герметика.
- После установки масляного поддона подождите как минимум 30 минут перед заливкой масла в двигатель.

5. Установите нижний масляный поддон. Затяните болты в указанном порядке.
Примечание: Момент затяжки: 9,8 - 11,8 Нм.

6. Установите воздушный компрессор (А).

7. Установите узел (А) масляного фильтра и маслоохладителя.
Примечание: Момент затяжки: 19,6 - 26,5 Нм.
Внимание. При установке узла масляного фильтра и маслоохладителя проверьте наличие уплотнительных колец на поверхности сопряжения с блоком цилиндров. Сначала затяните 4 верхних болта, затем затяните оставшийся нижний болт.

8. Установите приводной ремень (А).

9. Залейте моторное масло.
