Примечание. Для выполнения данной операции не требуется снятие двигателя с автомобиля.
1. Снять крышку двигателя.
2. Снять переднее правое колесо.
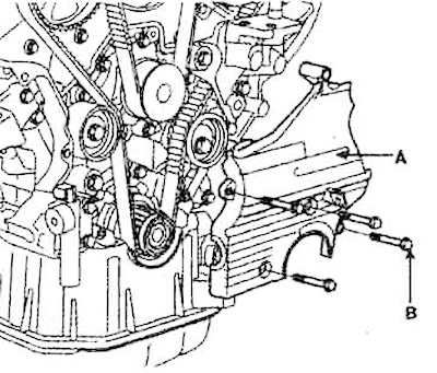
3. Отвернуть два болта крепления (В) и снять правую крышку двигателя (А).

4. Провернуть шкив коленчатого вала до совмещения углубления на нем с установочной меткой «Т» на крышке приводного ремня.

Примечание. Всегда вращать коленчатый вал только по часовой стрелке.
5. Снять приводной ремень (А) и натяжитель (В).

6. Поместить домкрат под картером двигателя.
Примечание. Поместить деревянный брус между домкратом и картером двигателя.
7. Отвернуть два болта и две гайки. Снять кронштейн опоры двигателя (А).

8. Снять насос гидроусилителя рулевого управления.
9. Отвернуть 7 болтов (В) и снять верхнюю крышку приводного ремня (А).

10. Отвернуть болт крепления и снять шкив коленчатого вала (А).

11. Снять промежуточный шкив приводного ремня (А).

12. Отвернуть 4 болта (В) и снять нижнюю крышку приводного вала (А).

13. Снять станину двигателя (А).

14. Убедиться, что установочная метка на приводной шестерне распредвала совпадает с меткой на крышке головки блока цилиндров. Если не совпадает - провернуть коленчатый вал на один полный оборот (360°).
15. Отвернуть два болта и снять натяжитель приводного ремня (А).

16. Снять ремень привода распредвалов (А).

Примечание. Если планируется повторное использование приводного ремня, мелом нанести на нем метку направления вращения для правильной установки в дальнейшем.
17. Снять натяжной шкив ХВ) и промежуточный шкив (А).

18. Снять шестерню коленчатого вала.
19. Отвернуть болты крепления и снять шестерни распределительных валов.
