Оглавление: Снятие ⇓ Установка ⇓
Снятие
1. Отсоедините, в первую очередь, провод от отрицательной клеммы аккумуляторной батареи, затем — от положительной и снимите батарею.

2. Выверните пять болтов и снимите опору аккумуляторной батареи.

Элементы крепления коробки передач





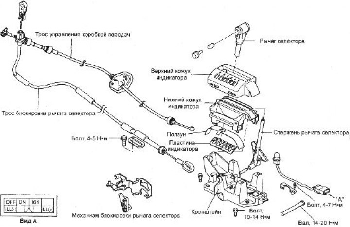
Расположение элементов коробки передач: 1 - гидротрансформатор; 2 -кронштейн опоры коробки передач; 3-шайба; 4 - передняя роликовая опора подвески; 5 - шайба; 6 - картер коробки передач; 7 - пробка маслосливного отверстия; 8 - прокладка; 9 - пробка отверстия для измерения давления трансмиссионной жидкости; 10 - патрубок для шланга теплообменника трансмиссионной жидкости; 11 - уплотнительный колпачок; 12 - масляный поддон; 13 - магнит; 14 - прокладка масляного поддона; 15 - болт; 16 - регулировочный винт; 17 - гайка; 18 - крышка подшипника корпуса дифференциала; 19-фланцевый болт; 20 - крышка дифференциала; 21 - шайба; 22 - прокладка; 23 - задняя крышка; 24 - фланцевый болт; 25 - задняя роликовая опора подвески; 26 - стопорный болт; 27 - болт М10x20; 28 - уплотнительное кольцо; 29 - колпачок вентиляционного отверстия; 30 - задняя муфта; 31 -ступица задней муфты; 32 - упорный подшипник; 33 - упорный подшипник; 34-упорный подшипник; 35- передняя муфта; 36 - упорное кольцо; 37 - упорное кольцо; 38 - выходная муфта; 39 - ступица выходной муфты; 40 -упорное кольцо; 41 - упорный подшипник; 42 - стопорное кольцо; 43 - диск тормоза; 44 - диск тормоза; 45 - нажимной диск тормоза; 46 - реактивный диск тормоза; 47 - возвратная пружина; 48 -тарельчатая пружина; 49 - упорный подшипник; 50 - наружное кольцо упорного подшипника; 51 -стопорное кольцо; 52- барабан тормоза kickdown; 53 - уплотнитель; 54 - поршень тормоза понижающей передачи и заднего хода; 55 - центральная опора; 56 - лента тормоза kickdown; 57 - сервопоршень kickdown с пружиной; 58 - сервовыключатель kickdown; 59 - болт крепления ведомой шестерни главной передачи; 60 - ведомая шестерня промежуточной передачи; 61 - болт; 62 - обойма; 63 - конический роликовый подшипник; 64 - стопорная гайка; 65 - стопорное кольцо; 66 - упорный подшипник; 67 - наружное кольцо упорного подшипника; 68 - сальник; 69- упорный подшипник; 70 - стопорное кольцо; 71 - вал выходной муфты; 72 -стопорная гайка; 73 - водило планетарной передачи; 74-солнечная шестерня задней передачи; 75 - солнечная шестерня передачи переднего хода; 76 - корончатое колесо; 77 - ведущая шестерня промежуточной передачи; 78 - выходной фланец; 79 - стопорное кольцо; 80 -корпус дифференциала; 81 -дифференциал; 82 - распорное кольцо дифференциала; 83 - шайба; 84 - ось сателлитов; 85 - стопорный штифт; 86 - шариковыйподшипник; 87 - опорный подшипник; 88 - распорное кольцо; 89 - распорное кольцо; 90 - ведущая шестерня главной передачи; 91 - ведущая шестерня привода спидометра; 92 - стопорная пластина; 93 - опора заклинивающего сухаря; 94 - фланцевый болт М8х25; 95 -гайка; 96 - пружинная шайба; 97 - рычаг ручного управления; 98 - уплотнительное кольцо; 99 - болт; 100 - шток ручного управления; 101 - винт; 102 -уплотнительная шайба; 103 - генератор импульсов; 104-фланцевый болт; 105 - переключатель селектора; 106 - фланцевый болт; 107 - держатель троса управления; 108-фланцевый болт; 109-зажим; 110 - стопорное кольцо; 111 -масляный насос; 112-прокладка масляного насоса; 113 - уплотнительная шайба; 114 - уплотнительное кольцо; 115 - сальник; 116 - уплотнительный болт; 117-блок клапанов; 118-датчик температуры трансмиссионной жидкости; 119 - болт М6х26; 120 - болт МбхЗб; 121 - болт М6х41; 122 - масляный фильтр; 123 - фланцевый болт; 124 -втулка ведомой шестерни привода спидометра; 125 - фланцевый болт М6х14; 126 - трубка маслоизмерительного щупа и заливки трансмиссионной жидкости; 127 - фланцевый болт; 128 - маслоизмерительный щуп.






30. Снимите коробку передач.

Первоисточник статьи — веб-сайт hyundaibook.ru
Установка
1. Установите на переднюю часть коробки передач гидротрансформатор и установите коробку передач к двигателю.
Внимание! Если гидротрансформатор установить сначала на двигатель, при установке коробки передач может быть повреждено уплотнительное кольцо коробки передач.
При установке кронштейна роликовой опоры не допускайте смятия упругой подушки. Смятие подушки может вызвать вибрацию при работе двигателя на холостом ходу.

2. Установите трос управления коробкой передач и отрегулируйте следующим образом.
- a. Переместите рычаг селектора и переключатель диапазонов коробки передач в положение «N» и установите трос управления коробкой передач.
- b. При подсоединении троса управления к устанавливающему кронштейну коробки передач, установите зажим так, чтобы он вошел в контакт с тросом управления.
- c. Регулировочной гайкой выберите любой свободный ход в тросе управления и проверьте, что рычаг селектора перемещается плавно.
- d. Проверьте, что трос управления отрегулирован правильно.

