Оглавление: Снятие, проверка и установка клапана…⇓ Проверка ⇓ Установка ⇓ Работа клапана принудительной…⇓
Рис. 2.218. Система принудительной вентиляции картера
Снятие, проверка и установка клапана принудительной вентиляции картера
Отсоедините вентиляционный шланг от клапана принудительной вентиляции картера. Снимите клапан с крышки головки цилиндров и подсоедините его к вентиляционному шлангу.
Рис. 2.219. Проверка разрежения впускного коллектора
Запустите двигатель и дайте ему работать на режиме холостого хода. Закройте пальцем отверстие клапана и убедитесь, что ощущается наличие разрежения от впускного коллектора (рис. 2.219).
Примечание. В этот момент плунжер клапана принудительной вентиляции картера будет двигаться вперед и назад.
Проверка
Снимите клапан принудительной вентиляции картера.
Вставьте тонкий стержень в клапан принудительной вентиляции картера со стороны резьбовой части и, двигая стержень вперед и назад, проверьте, что плунжер перемещается.
Рис. 2.220. Проверка плунжера клапана принудительной вентиляции картера
Если плунжер не перемещается, то в клапане принудительной вентиляции картера есть отложения (рис. 2.220). В этом случае необходимо прочистить или заменить клапан.
Установка
Установите клапан принудительной вентиляции картера на место и затяните его номинальным моментом.
Момент затяжки клапана принудительной вентиляции картера: 8–12 Н·м.
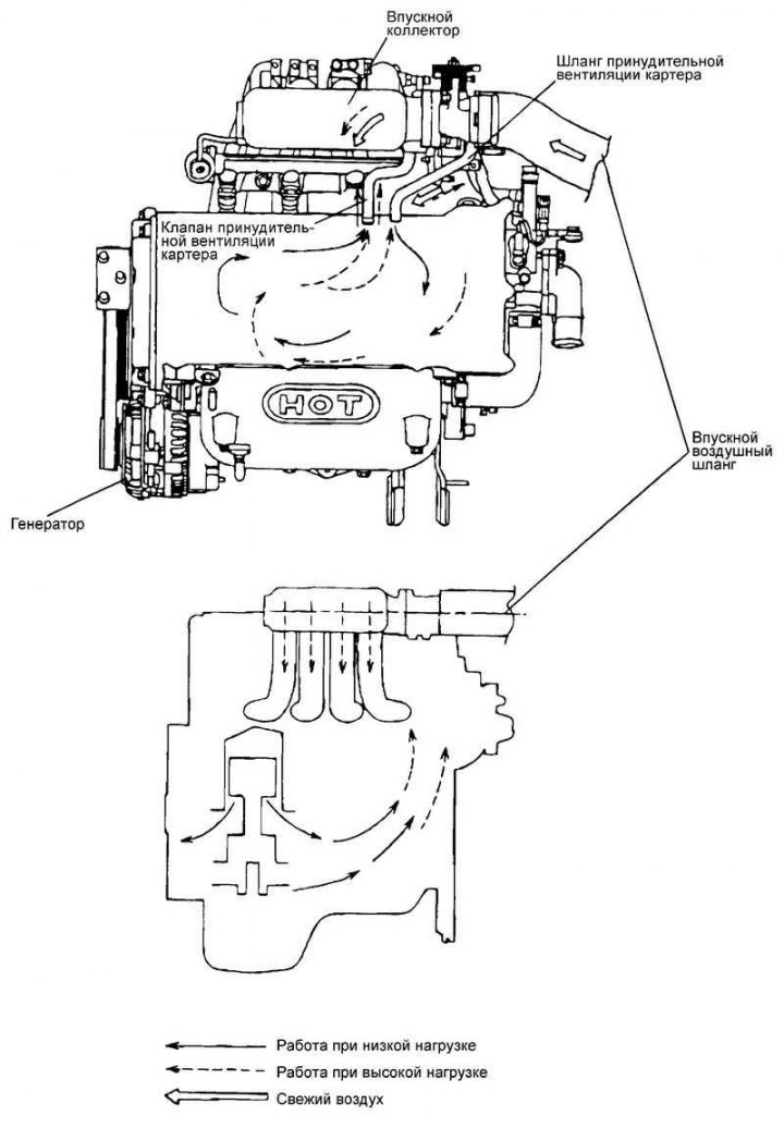
Работа клапана принудительной вентиляции картера
Рис. 2.221. Схема работы клапана принудительной вентиляции картера
Схема работы клапана принудительной вентиляции картера показана на рис. 2.221.
