1. Болт направляющего штока
2. Штуцер для прокачки
3. Скоба суппорта
4. Суппорт
5. Прокладка внутренней колодки
6. Тормозная колодка
7. Держатель
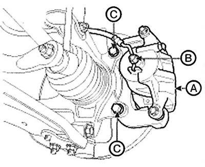
Снятие
1. Снимите переднее колесо.
Примечание: Момент затяжки: 88,3 ~ 107,9 Нм.
2. Отверните болт (В) с отверстием и болты (С) крепления суппорта, затем снимите суппорт (А) в сборе.
Примечание: Момент затяжки:
Тормозной шланг к суппорту (В): 24,5 - 29,4 Нм.
Суппорт в сборе к кулаку (С): 78,5-98,1 Нм.

3. Отверните винты (А) и снимите тормозной диск.

Замена
Тормозные колодки
1. Отверните болт (А) крепления кронштейна тормозного шланга.

2. Отверните болт (В) направляющего штока и отведите суппорт (А) вверх до конца.
Примечание: Момент затяжки: 21,6 - 31,4 Нм.

3. Установите прокладку (D) колодки, держатели (С) колодок и тормозные колодки (В) на скобу (А) суппорта.

Проверка технического состояния
Проверка тормозных дисков
1. Проверьте износ и состояние тормозных колодок.
2. Осмотрите тормозной диск на предмет образования трещин и других повреждений.
3. Очистите поверхность от ржавчины и загрязнений и измерьте толщину диска не менее чем в восьми точках на одинаковом расстоянии (5 мм) от внешней окружности.
Примечание:
Толщина тормозного диска:
2WD:
- Стандартное значение: 26 мм.
- Предельно допустимое значение: 24,4 мм.
4WD:
- Стандартное значение: 28 мм.
- Предельно допустимое значение: 26,4 мм.
Отклонение: менее 0,005 мм.

4. Если износ превышает предельное значение, замените диски в сборе с колодками с левой и правой сторон автомобиля.
Проверка тормозных колодок
1. Проверьте износ тормозных колодок. Измерьте толщину колодки и замените ее, если толщина меньше указанной величины.
Примечание:
Толщина тормозных колодок:
- Стандартное значение: 11мм.
- Предельно допустимое значение: 2,0 мм.
2. Проверьте наличие смазки в точках скользящего контакта, а также проверьте тормозную колодку, включая ее обратную сторону, на наличие повреждений.

Проверка биения тормозных дисков
1. Установите индикатор часового типа на расстояние приблизительно 5 мм от наружного края тормозного диска и измерьте биение диска.
Примечание: Биение тормозного диска: Предельно допустимое значение: 0,025 мм или менее (для нового диска).

2. Если биение тормозного диска превышает указанные пределы, переустановите диск и повторите измерение.
3. Если биение не превышает указанные пределы, поверните диск на 180° и повторите измерение.
4. Если скорректировать биение путем изменения положения тормозного диска не получается, замените диск.
Установка
1. Установка производится в обратном порядке.
2. Для установки суппорта в сборе пользуйтесь специальным инструментом (09581-11000).

3. После установки удалите воздух из тормозной системы.
