2. Отсоединить разъемы Датчика положения дроссельной заслонки (А) и регулятора холостого хода (В).

3. Отсоединить шланги вентиляции картера (А) и сапуна (В).

4. Отсоединить трос привода дроссельной заслонки.
5. Снять магистраль (А).

6. Снять шланги отопителя (А), шланг соленоидального клапана (В) и шланг вакуумного усилителя тормозов (С).

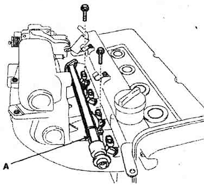
7. Снять крепления впускного коллектора (А).
8. Снять впускной коллектор.

Установка производится в порядке обратном снятию.
