
2. Отсоединить вакуумный шланг от клапана системы рециркуляции отработавших газов.
3. Снять вакуумный клапан и охладитель (А) системы рециркуляции отработавших газов.

4. Снять термоизолятор (А).

(Текст предоставлен веб-ресурсом: «HYUNDAIBOOK.ru»)
5. Отвернуть болты (В) крепления и снять изолятор (А).

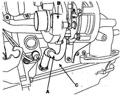
6. Отсоединить трубку отвода масла и подводящий патрубок (А) турбокомпрессора (В) от блока цилиндров (С).

7. Отвернуть нижний болт крепления кронштейна турбокомпрессора.
8. Снять передний глушитель (А).

9. Снять выпускной коллектор (А).

10. Установка производится в последовательности обратной снятию.
