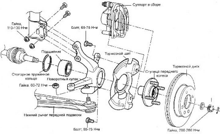
Снятие
1. Поднимите Ваш Hyundai Getz и снимите переднее колесо.
2. Снимите шплинт и выверните гайку крепления приводного вала.
3. Снимите суппорт и мягкой проволокой закрепите его на передней стойке.
4. Снимите датчик частоты вращения с поворотного кулака.
5. Извлеките шплинт и отверните гайку крепления цапфы шарового шарнира наконечника рулевой тяги к поворотному кулаку. Съемником 09568–34000 выдавите цапфу шарового шарнира из поворотного кулака.

(Материал получен с официального ресурса: «HyundaiBook.ru»)

2. Снимите пружинное стопорное кольцо.
3. Установите специальные инструменты 09517–21500, 09517–29000,как показано на рисунке.

Проверка
1. Проверьте ступицу на отсутствие трещин и износа.
2. Проверьте тормозной диск на отсутствие выработки и повреждений.
3. Проверьте поворотный кулак на отсутствие трещин.
4. Проверьте подшипник на отсутствие трещин или повреждений.
Сборка
1. Нанесите тонкий слой консистентной смазки в отверстие поворотного кулака и на наружное кольцо подшипника.
2. Прессом соправкой 09532–31200А соответствующего диаметра запрессуйте новый подшипник колеса.
Примечание.
- Не прилагайте усилие пресса к внутреннему кольцу подшипника.
- При установке всегда используйте новый подшипник.
- Подшипник в левой и правой ступицах передних колес должны быть изготовлены одной компанией.

6. Специальным инструментом 09517–21500 приверните ступицу к поворотному кулаку, затянув болт приспособления моментом 200–260 Н·м.
7. Несколько раз проверните ступицу, чтобы элементы подшипника установились на свои места.
8. Измерьте крутящий момент, который необходимо приложить для проворачивания подшипника.
Крутящий момент: не более 0,99 Н·м

