
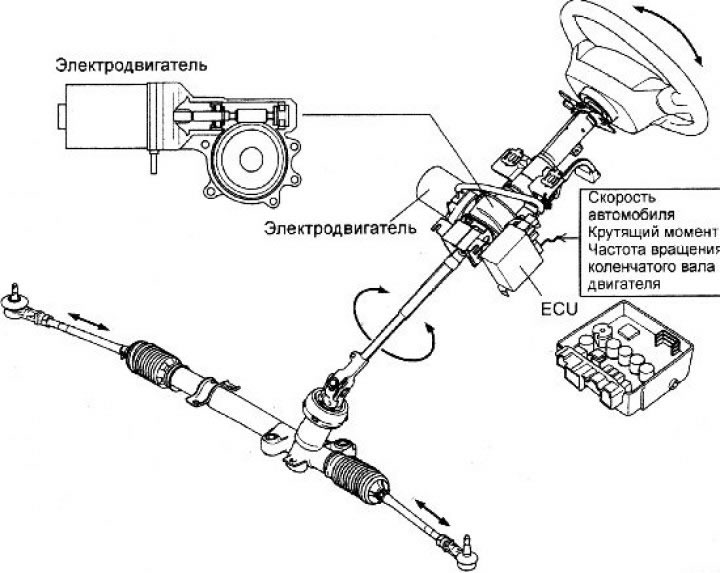
Для определения крутящего момента используется магнитный датчик, который преобразовывает магнитный сигнал в текущий сигнал, согласно относительному угловому изменению между входом и выходом кручения торсиона.
EPSCM расположен на рулевой колонке в салоне автомобиля.
Меры безопасности
1. Электронные элементы системы, подвергшиеся удару необходимо заменить на новые.
Информация скопирована с сайта www.HyundaiBook.ru
2. Исключите нахождение электронных элементов системы от воздействия высокой температуры и влажности.
3. Не касайтесь контактов разъема, так как их можно деформировать и подвергнуть систему воздействию статического электричества.
4. Отсоединяйте и подсоединяйте разъем при выключенном зажигании.

