Русский
English
Български
Беларускі
Український
Српски
Hrvatski
Română
Polski
Slovenský
Magyar
Статьи
Карта
Контакты
Поиск:
Accent
Elantra
Getz
Grandeur
Sonata
Santa Fe
Tucson
Прочие
Гетц
(2002-2011)
Главная
Гетц
1
(2002-2011)
Электрооборудование
Электрические схемы
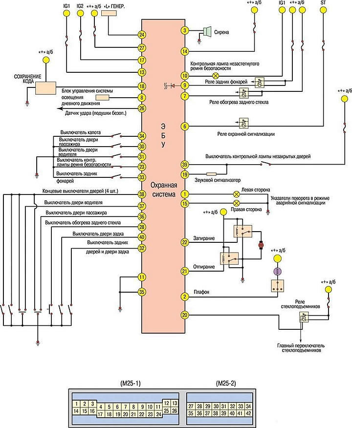
Электронный блок управления временной задержкой и охранной сигнализацией
Электронный блок управления временной задержкой и охранной сигнализацией
(Hyundai Getz 1)
0
Электронный блок управления временной задержкой и охранной сигнализацией
Эта статья доступна на
английском
,
болгарском
,
белорусском
,
украинском
,
сербском
,
хорватском
,
румынском
,
польском
,
словацком
,
венгерском
Данная статья была проверена:
Константин Смирнов
Добавить в социальную сеть:
Предыдущие
Гетц: Электрические схемы
Следующие
Электросхема переключателя корректора фар
Электросхема переключателей наружных зеркал заднего вида
Электросхема комбинации приборов без/с бортового компьютера
Схема системы управления двигателем объемом 1,3, 1,5 и 1,6 литра
Схема системы управления двигателем объемом 1,1 литра
Электрическая схема вентилятора и управления системой кондиционирования воздуха
Электросхема переключателей стеклоподъёмников
Электросхема генератора
Рекомендуем другие статьи по теме мануалов Хендай:
Ремень насоса гидроусилителя рулевого управления
Хендай Акцент 1 (1994-1999)
Блок управления двигателем
Хендай Элантра 3 (2000-2006)
Система управления задержкой сигнала блокировки центрального…
Хендай Соната 4 (2001-2012, бензин)
Панель управления наружным освещением
Хендай Санта Фе 2 (2007-2012, бензин)
Электронный блок управления подушек безопасности (ЭБУ ПБ)
Хендай Туссан 1 (2005-2010)
Электронный блок управления двигателем
Хендай Матрикс (2001-2010, бензин)
Ссылка в разных форматах на эту статью
Text
HTML
BB Code
Статья о ремонте южнокорейских автомобилей Хендай Гетц (2002-2011): Электронный блок управления временной задержкой и охранной сигнализацией: https://www.hyundaibook.ru/Getz/1/electrics/schemes/elektronnyy-blok-upravleniya-vremennoy-zaderzhkoy-i-ohrannoy
Хендай Гетц (2002-2011): Электронный блок управления временной задержкой и охранной сигнализацией
- статья на сайте www.HyundaiBook.ru о ремонте автомобилей южнокорейской компании Хендай.
[url=https://www.hyundaibook.ru/Getz/1/electrics/schemes/elektronnyy-blok-upravleniya-vremennoy-zaderzhkoy-i-ohrannoy]Хендай Гетц (2002-2011): Электронный блок управления временной задержкой и охранной сигнализацией[/url] - статья на сайте www.HyundaiBook.ru о ремонте автомобилей южнокорейской компании Хендай.
Комментарии посетителей
Комментариев пока нет
Сколько будет 15 + 43 ?
Гетц
(2002-2011)
Руководство по эксплуатации
Приборы управления
Отопление и вентиляция
Аудиосистема
Вождение автомобиля
Неисправности в пути
Техническое обслуживание
Техническая информация
Силовой агрегат
Ремонт двигателя 1,1/1,3 л
Ремонт двигателя 1,5/1,6 л
Система смазки
Система охлаждения
Топливная система
Выхлопная система
Система зажигания
Трансмиссия
Сцепление
Механическая коробка
Автоматическая коробка
Приводные валы и оси
Шасси
Подвеска и колеса
Рулевое управление
Тормозная система
Кузов
Экстерьер (внешние элементы)
Интерьер (внутренние элементы)
Кондиционер и отопитель
Электрооборудование
Оборудование и приборы
Силовые устройства
Электрические схемы
Автомобильный анекдот
хочу ещё
Этот сайт использует куки для оптимизации. Продолжая, вы принимаете условия.
Принять