Снятие
1. Отсоедините два троса привода от отопителя и один трос привода от кожуха вентилятора.



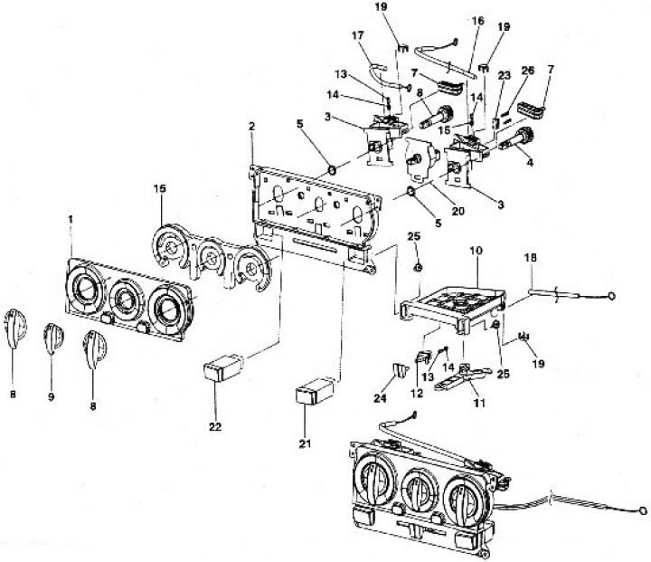
Блок управления отопителем: 1 - накладка панели; 2 - панель управления; 3 - корпус передачи; 4 - шестерня привода заслонки распределения потоков воздуха; 5 - стопорная шайба; 6 - шестерня привода заслонки регулировки температуры; 7 - шестерня привода заслонки регулировки температуры; 8 - поворотная ручка; 9 - поворотный переключатель частоты вращения вентилятора; 10 - основание заслонки смешивания воздушных потоков; 11 - рычаг привода заслонки распределения потоков воздуха; 12 -фиксатор; 13 - пружина; 14 - стопор фиксатора; 15 - отражатель; 16 - трос привода заслонки распределения потоков воздуха; 17 - трос привода заслонки регулировки температуры; 18 - трос привода заслонки распределения потоков воздуха; 19 - зажим крепления троса; 20 - переключатель вентилятора; 21 - выключатель обогревателя заднего стекла; 22 - выключатель кондиционера; 23 - выключатель обдува стекол; 24 - накладка; 25 - самонарезающий винт; 26 - самонарезающий винт.
