HyundaiBook.ru
Ремонт Chevrolet Ремонт Honda Ремонт Toyota Ремонт Land Rover Ремонт VAZ Ремонт Renault Ремонт Nissan
Русский English
Български
Беларускі
Український
Српски
Hrvatski
Română
Polski
Slovenský
Magyar
СтатьиКартаКонтакты  
 
 
 
 
 
 
 
 
 
 
  Accent   Elantra   Getz   Grandeur   Sonata   Santa Fe   Tucson   Прочие
Элантра 1 (1990-1995, бензин) Элантра 2 (1995-2000, бензин) Элантра 3 (2000-2006)
  • Главная
  • Элантра
  • J2 (1995-2000)
  • Шасси
  • Тормозная система
  • Задний дисковый тормоз

Задний дисковый тормоз (Hyundai Elantra J2)

0

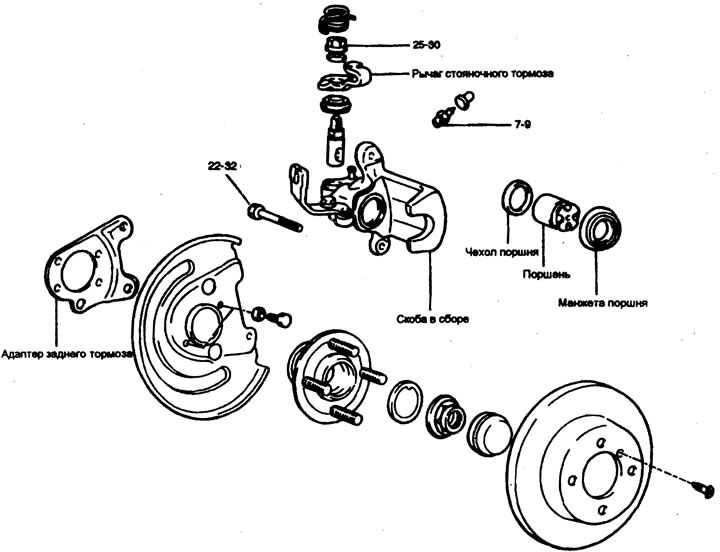
Задний дисковый тормоз



Момент затяжки: Нм

Момент затяжки: Нм
Эта статья доступна на английском, болгарском, белорусском, украинском, сербском, хорватском, румынском, польском, словацком, венгерском
Данная статья была проверена: Константин Смирнов
Добавить в социальную сеть:

Предыдущие
Элантра 2: Тормозная система
Следующие

Задний барабанный тормоз
Замена тормозных накладок
Передний дисковый тормоз
Тормозные магистрали
Гидроусилитель тормозов
Главный цилиндр
Стояночный тормоз
Антиблокировочная тормозная система — технические условия
Антиблокировочная тормозная система — момент затяжки, Нм
Составные части системы АБС
Модулятор и реле АБС
ABSCM (Модуль управления АБС)
Рекомендуем другие статьи по теме мануалов Хендай:

Передний дисковый тормоз - устройство Хендай Акцент 1 (1994-1999)
Подстаканник передний и задний Хендай Гетц (2002-2011)
Задний дисковый тормоз Хендай Соната 3 (1993-1998)
Задний кондиционер Хендай Санта Фе 2 (2007-2012, бензин)
Задний дисковый тормозной механизм — устройство Хендай Туссан 1 (2005-2010)
Стояночный тормоз Хендай Матрикс (2001-2010, бензин)
Ссылка в разных форматах на эту статью

Комментарии посетителей
Комментариев пока нет


Сколько будет 15 + 31 ?

       



Элантра 3 (2000-2006) 
  • Руководство по эксплуатации
  • Приборы управления
  • Аудиосистема
  • Запуск двигателя и вождение
  • Неисправности в пути
  • Техобслуживание и уход
  • Техническая информация
  • Силовой агрегат
  • Бензиновые двигатели
  • Дизельные двигатели
  • Система смазки
  • Система охлаждения
  • Топливная система (бензин)
  • Топливная система (дизель)
  • Снижение токсичности
  • Система зажигания
  • Трансмиссия
  • Сцепление
  • Механическая коробка
  • Автоматическая коробка
  • Приводные валы и оси
  • Шасси
  • Подвеска автомобиля
  • Рулевое управление
  • Тормозная система
  • Кузов
  • Экстерьер (наружные элементы)
  • Интерьер (внутренние элементы)
  • Система кондиционирования
  • Электрооборудование
  • Оборудование и приборы
  • Фары и освещение
  • Силовые устройства
  • Электрические схемы
Элантра 2 (1995-2000, бензин) 
  • Общая информация
  • Техническое обслуживание
  • Силовой агрегат
  • Ремонт двигателя
  • Система охлаждения
  • Система впуска и выпуска
  • Топливная система
  • Трансмиссия
  • Сцепление
  • Механическая коробка
  • Автоматическая коробка
  • Приводные валы и оси
  • Шасси
  • Передняя подвеска
  • Задняя подвеска
  • Рулевое управление
  • Тормозная система
  • Кузов
  • Элементы кузова
  • Электрооборудование
  • Оборудование и приборы
  • Электрические схемы
Элантра 1 (1990-1995, бензин) 
  • Общая информация
  • Введение в руководство
  • Техническое обслуживание
  • Силовой агрегат
  • Мелкий ремонт двигателя
  • Капитальный ремонт двигателя
  • Система смазки
  • Система охлаждения
  • Система впрыска топлива
  • Система зажигания
  • Выхлопная система
  • Трансмиссия
  • Сцепление
  • Механическая коробка передач
  • Автоматическая коробка передач
  • Приводные валы
  • Шасси
  • Передняя подвеска
  • Задняя подвеска
  • Рулевое управление
  • Колеса и шины
  • Диагностика неисправностей
  • Тормозная система
  • Кузов
  • Элементы кузова
  • Электрооборудование
  • Оборудование и приборы
  • Силовые устройства
  • Отопление и кондиционирование
  • Электрические схемы
Автомобильный анекдот
хочу ещё
HyundaiBook.ru © 2018-2026 · Мобильная версия · Карта сайта: EN BG BY UA RS HR RO PL SK HU · Администрация · Поиск по сайту · Владельцам Хендай Акцент 1 · Акцент 2 · Акцент 3 · Элантра 1 · Элантра 2 · Элантра 3 · Гетц · Соната 3 · Соната 4 · Санта Фе 2 · Туссан 1 · Туссан 2 · Матрикс · Автоновости о Hyundai · Устройство автомобилей · Газовое оборудование · Диагностика авто на СТО · Двигатели D4AF, D4AK, D4AE
Этот сайт использует куки для оптимизации. Продолжая, вы принимаете условия.