HyundaiBook.ru
Ремонт Chevrolet Ремонт Honda Ремонт Toyota Ремонт Land Rover Ремонт VAZ Ремонт Renault Ремонт Nissan
Русский English
Български
Беларускі
Український
Српски
Hrvatski
Română
Polski
Slovenský
Magyar
СтатьиКартаКонтактыПоиск:  
 
 
 
 
 
 
 
 
 
 
  Accent   Elantra   Getz   Grandeur   Sonata   Santa Fe   Tucson   Прочие
Туссан 1 (2005-2010) Туссан 2 (2009-2015)
  • Главная
  • Туссан
  • JM (2005-2010)
  • Кузов
  • Кондиционер и отопитель
  • Таймер системы обогрева лобового стекла — принципиальная схе...

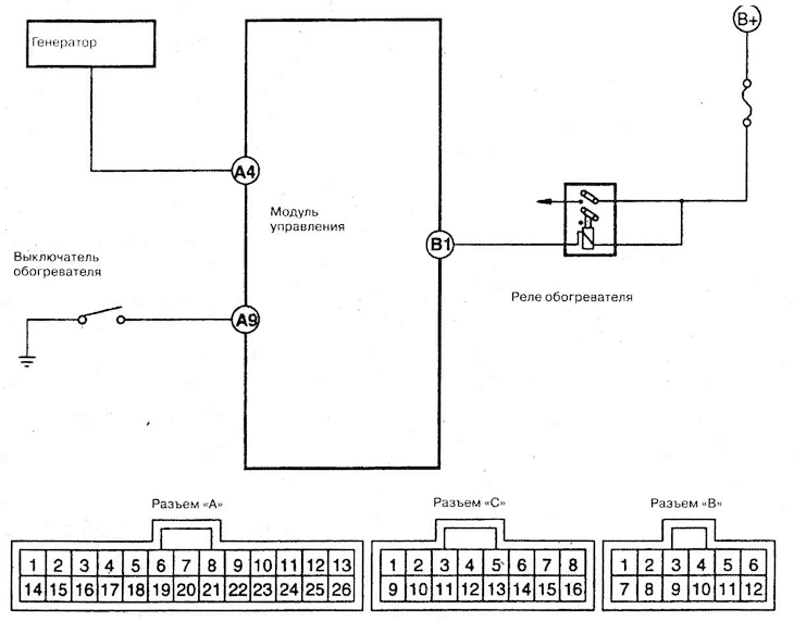
Таймер системы обогрева лобового стекла — принципиальная схема (Hyundai Tucson JM)

0
Таймер системы обогрева лобового стекла — принципиальная схема
Эта статья доступна на английском, болгарском, белорусском, украинском, сербском, хорватском, румынском, польском, словацком, венгерском
Данная статья была проверена: Константин Смирнов
Добавить в социальную сеть:

Доставка грузов из Китая в Нижний Тагил
Предыдущие
Туссан 1: Кондиционер и отопитель
Следующие

Проверка выключателя обогревателя переднего стекла
Проверка обогревателя переднего стекла
Обогрев переднего стекла — общие сведения
Подогрев заднего стекла — устройство
Проверка подогрева заднего стекла
Выключатель подогрева заднего стекла — проверка
Реле подогрева заднего стекла — проверка
Подогрев сидений — устройство
Выключатель подогревателя сидений
Рекомендуем другие статьи по теме мануалов Хендай:

Схема системы кондиционирования воздуха Хендай Акцент 3 (2005-2010)
Электрическая схема системы запуска Хендай Элантра 3 (2000-2006)
Выключатель обогрева заднего стекла Хендай Гетц (2002-2011)
Электросхема очистителя и омывателя лобового стекла Хендай Соната 4 (2001-2012, бензин)
Выключатель обогрева заднего стекла Хендай Санта Фе 2 (2007-2012, бензин)
Выключатель обогрева заднего стекла Хендай Матрикс (2001-2010, бензин)
Ссылка в разных форматах на эту статью
TextHTMLBB Code

Комментарии посетителей
Комментариев пока нет


Сколько будет 31 + 41 ?

       



Туссан 2 (2009-2015) 
  • Общая информация
  • Неисправности в пути
  • Руководство по эксплуатации
  • Техническое обслуживание
  • Силовой агрегат
  • Бензиновые двигатели
  • Дизельные двигатели
  • Система охлаждения двигателя
  • Система смазки двигателя
  • Система питания двигателя
  • Система управления
  • Системы впуска и выпуска
  • Электрооборудование двигателя
  • Трансмиссия
  • Сцепление
  • Механическая коробка
  • Автоматическая коробка
  • Приводные валы
  • Шасси
  • Подвеска и колеса
  • Тормозная система
  • Рулевое управление
  • Кузов
  • Экстерьер (наружные элементы)
  • Интерьер (внутренние элементы)
  • Системы безопасности
  • Кондиционер и отопитель
  • Электрооборудование
  • Электрические схемы
Туссан 1 (2005-2010) 
  • Общая информация
  • Руководство по эксплуатации
  • Техническое обслуживание
  • Силовой агрегат
  • Бензиновый двигатель G6BA
  • Бензиновый двигатель G4GC
  • Дизельный двигатель D4EA
  • Система питания (бензин)
  • Система питания (дизель)
  • Система смазки двигателя
  • Система охлаждения двигателя
  • Электрооборудование двигателя
  • Трансмиссия
  • Сцепление
  • Коробка передач
  • Приводные валы и кардан
  • Шасси
  • Подвеска автомобиля
  • Рулевое управление
  • Тормозная система
  • Кузов
  • Экстерьер (наружные элементы)
  • Интерьер (внутренние элементы)
  • Кондиционер и отопитель
  • Подушки безопасности
  • Электрооборудование
  • Оборудование и приборы
  • Электрические схемы
Автомобильный анекдот
хочу ещё
HyundaiBook.ru © 2018-2025 · Мобильная версия · Карта сайта: EN BG BY UA RS HR RO PL SK HU · Администрация · Поиск по сайту · Владельцам Хендай Акцент 1 · Акцент 2 · Акцент 3 · Элантра 1 · Элантра 2 · Элантра 3 · Гетц · Соната 3 · Соната 4 · Санта Фе 2 · Туссан 1 · Туссан 2 · Матрикс · Автоновости о Hyundai · Устройство автомобилей · Газовое оборудование · Диагностика авто на СТО · Двигатели D4AF, D4AK, D4AE